Часть 1: Первичные распределительные системы
Обзор первичного распределения
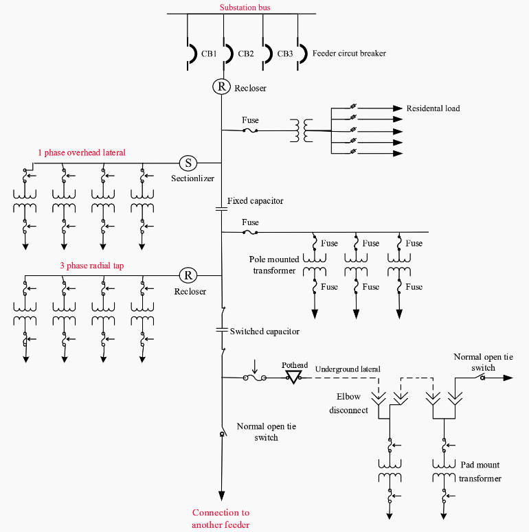
Первичные распределительные сети являются основой энергоснабжения, обеспечивая подачу электроэнергии среднего напряжения от подстанций к местным трансформаторам. Архитектура сети — надземная или подземная — определяет её надёжность и экономическую эффективность.
Пример из практики: городская и сельская застройка

- Сельский сценарий (радиальная система): В малонаселенных сельскохозяйственных районах основным фактором является стоимость. Простая радиальная система соединяет фермы с одним фидером. Хотя это экономично, единичная неисправность (например, упавшее дерево) приводит к полному отключению электроэнергии до тех пор, пока не будет произведен ремонт.
- Городской сценарий (кольцевая система): В оживленном пригородном районе используется конфигурация первичного кольцевого подключения. В случае отказа фидера автоматические переключатели изолируют неисправность и восстанавливают электроснабжение оставшихся домов по альтернативному пути в течение нескольких секунд.
Часть 2: Высоконадежные решения
Точечные сети для критически важных нагрузок
Когда простой недопустим, точечные сети являются отраслевым стандартом. Эта конфигурация предполагает параллельное подключение нескольких трансформаторов к одной шине, гарантируя, что отказ одного компонента не приведет к перебоям в работе пользователя.
Пример применения: коммерческое высотное здание
Рассмотрим 50-этажный финансовый центр или крупный торговый центр. Эти объекты потребляют до 25 МВА электроэнергии. Внедрение точечной сети, питаемой от 4–6 основных фидеров, позволяет зданию поддерживать бесперебойную работу даже в случае одновременного отключения двух основных фидеров. Такая схема имеет решающее значение для центров обработки данных и больниц, где стабильность электроснабжения является вопросом безопасности жизнедеятельности.
Часть 3: Вторичные распределительные и сетевые сети
От трансформатора к конечному пользователю
Вторичная распределительная сеть заполняет пробел между распределительным трансформатором и счетчиком потребителя. В современных проектах приоритет отдается подземной распределительной сети для жилых домов (URD) из-за ее устойчивости к экстремальным погодным условиям.
Пример проекта: Современный жилой комплекс
В новых элитных жилых комплексах компания Aleo Power обычно использует трансформаторы, установленные на площадках, для питания небольших групп домов по подземным кабелям. В отличие от старых воздушных систем, использующих вторичные сети (которые страдают от падения напряжения), этот метод прямого подключения размещает трансформаторы ближе к нагрузке, минимизируя потери и устраняя визуальный беспорядок, создаваемый опорами линий электропередачи.
Центральные сети электросетей
В густонаселенных городских центрах (таких как центральные деловые районы Нью-Йорка или Шанхая) централизованная электросеть объединяет все трансформаторы в единую сеть.
Механизм работы: ток может течь от любого трансформатора к любой нагрузке.
Функции безопасности: специализированные сетевые защитные устройства и кабельные ограничители действуют как «регулировщики», предотвращая обратное распространение токов короткого замыкания в основную сеть. Это гарантирует, что обрыв кабеля на одной улице не приведет к отключению электроэнергии на всем квартале.


